Accouplement flexible à membranes plastiques ,4 Nm
Code fiche produit : 5881664
Prix sur demande
Demander un devis
Transmission de rotation sans jeu, rigidité en torsion élevée, forces de redressement moyennes, amortissement des vibrations, isolant électrique.
Adapté pour le
Voir la description détaillée
Imprimer
Description
Transmission de rotation sans jeu, rigidité en torsion élevée, forces de redressement moyennes, amortissement des vibrations, isolant électrique.
Adapté pour les dispositifs de mesure, pour les vitesses de rotation élevées.
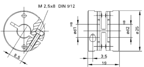
Caractéristiques :
- Vitesse de rotation max. min-¹ : 12 000
- Couple max. Ncm : 40
- Compensation max.
radiale mm : ± 0,25
axiale mm : ± 0,4
angulaire deg : ± 2,5
- Raideur en torsion Nm/rad : 22
- Raideur radiale N/mm : 60
- Moment d'inertie gcm² : 13,5 - 15
- Couple max. M de serrage de la vis Ncm : 65
- Température °C -10 / +80 -10 / +80
- Masse g : 16 - 18
- Matériaux : Moyeux Aluminium anodisé
- Membranes Polyamide 6.6 renforcé fibres de verre.
Pour plus d’informations, veuillez consulter la fiche technique ci dessous.
Fiches techniques
Accouplement flexible à membranes plastiques ,4 Nm